
Figure 1: Refrigerator compressors.
When it comes to refrigeration, the compressor is one of the most crucial components. It plays a vital role in keeping your refrigerator running, as it's responsible for pumping refrigerant throughout the system.
However, if you find your refrigerator compressor not running, it can be a major cause for concern. In this article, we'll explore some of the common reasons why a refrigerator compressor might fail to start and how you can troubleshoot and fix the issue.
1. What is a Refrigerator Compressor?
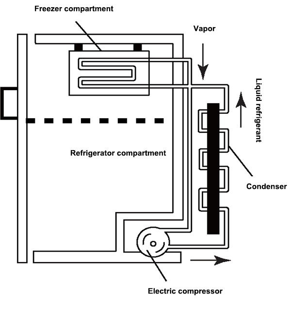
Before we dive into the reasons why a refrigerator compressor might not be running, let's take a closer look at what a compressor is and how it works. In simple terms, a compressor is a device that pressurizes gas, in this case, the refrigerant, and pumps it to flow through the system. This process is what enables the refrigerator to cool the air inside the unit.
When the compressor starts, it sucks in low-pressure refrigerant gas from the evaporator coils and compresses it to a high-pressure gas. This high-pressure gas then flows through the condenser coils, where it releases heat and condenses into a liquid. The liquid refrigerant then flows through the expansion valve, where it expands and cools down, before returning to the evaporator coils to start the cycle again.

Figure 2: Refrigerator working principle diagram.
2. What Happens If Refrigerator Compressor Stops Working?
If the compressor stops working, the refrigerant will not be able to circulate, and the air inside the refrigerator will gradually warm up. This can cause food to spoil, and in some cases, mold and bacteria can grow, leading to potential health risks.
In addition to the risk of spoiled food, a malfunctioning compressor can also cause other issues with the refrigerator. For example, the compressor may overheat and cause damage to the surrounding components, or the refrigerator may start making unusual noises or vibrations.
It's essential to address any issues with a refrigerator compressor as soon as possible to prevent further damage to the appliance and to keep the contents of the refrigerator safe. If you suspect that your compressor has stopped working, it's best to call in a professional appliance repair technician to diagnose and fix the problem.

Figure 3: Refrigerator filled with food.
3. Reasons Why Refrigerator Compressor Not Running
There are several reasons why a refrigerator compressor might fail to start, including:
● Thermostat Issues
● Start Relay Problems
● Overload Protector Failure
● Capacitor Issues
● Compressor Motor Failure
3.1 Thermostat Issues
The thermostat is responsible for monitoring the temperature inside the refrigerator and turning the compressor on and off as needed. If the thermostat is faulty or not calibrated correctly, it may not signal the compressor to start when it should.
3.2 Start Relay Problems
The start relay is another component that can cause issues with the compressor. It's responsible for supplying power to the compressor motor and helping it start up. If the start relay is faulty, the compressor may not receive the necessary power to start.

Figure 4: Start relay.
3.3 Overload Protector Failure
The overload protector is a safety feature that protects the compressor from overheating. If the compressor draws too much current, the overload protector will shut off power to the compressor to prevent damage. If the overload protector fails, it may prevent the compressor from running altogether.
3.4 Capacitor Issues
The capacitor is another component that helps the compressor start up by providing an extra boost of power. If the capacitor is faulty or has failed, the compressor may not receive the necessary power to start.
3.5 Compressor Motor Failure
Finally, the compressor motor itself may be the culprit. If the motor has failed or is faulty, it won't be able to start up and pump refrigerant through the system.
Unfortunately, if the compressor motor has failed, it will need to be replaced, which can be an expensive repair.

Figure 5: KONOR Compressor.
4. Troubleshooting Refrigerator Compressor Not Running
If your refrigerator compressor is not running, there are a few steps you can take to troubleshoot the issue before calling in a professional:
● Check the Power Supply
● Listen for Sounds
● Check the Thermostat
● Test the Start Relay, Overload Protector, and Capacitor
● Call in a Professional
4.1 Check the Power Supply
The first thing to check is the power supply to the refrigerator. Make sure the unit is plugged in and that the outlet is working correctly. You can test the outlet with a multimeter to see if it's providing power.
4.2 Listen for Sounds
If the power supply is working correctly, listen for sounds coming from the refrigerator. If you hear a humming sound, it may indicate that the compressor is trying to start up but is unable to. If you don't hear any sound at all, it may indicate that there's an issue with the compressor itself.
4.3 Check the Thermostat
If you suspect that the thermostat may be the issue, you can test it by turning the temperature control to the coldest setting and listening for a clicking sound. If you hear the click, the thermostat is working correctly. If not, you may need to replace it.

Figure 6: Refrigerator thermostat.
4.4 Test the Start Relay, Overload Protector, and Capacitor
To test the start relay, overload protector, and capacitor, you'll need a multimeter. Follow the manufacturer's instructions for testing each component and replace any that are faulty.
4.5 Call in a Professional
If you're unable to diagnose or fix the issue on your own, it's best to call in a professional appliance repair technician. They'll be able to diagnose the problem accurately and recommend the best course of action.
5. Conclusion
In conclusion, a refrigerator compressor not running can be a cause for concern, but it's not always a sign of a major issue. By following the troubleshooting steps outlined above, you can diagnose and fix many of the common reasons why a refrigerator compressor might fail to start.
As always, if you're unsure or uncomfortable with any aspect of the repair process, it's best to call in a professional for assistance.
Related Info
How to Reset Your Air Conditioner: a Step-by-Step GuideHow Do You Know If Your Refrigerator Compressor is Bad?
Why is My AC Compressor Overheating and Shutting off?
What Does a Bad AC Compressor Sound Like?
AC Making Noise When off: Where is the Noise from and What to Do?